新为诚LOGO   新为诚电话1   新为诚电话2
您当前的位置:首页>>交流小型活塞气泵FYF系列
微型泵产品分类 >>220V大流量高压微型气泵介绍
成都新为诚科技有限公司
   
首页 上一页 下一页 尾页 第 2 页 共 3 页
三维结构安装图(点击下图可看大图)  
  
 
1.FYF02580N-05G1AC交流活塞气泵外形尺寸图(以下图示单位:mm)
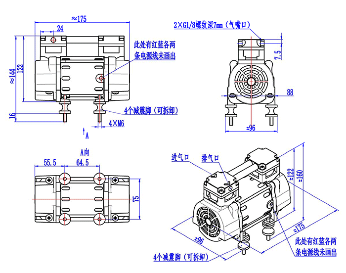
2.FYF02580-05G1AC交流活塞气泵外形尺寸图(以下图示单位:mm)
220V小型高压气泵FYF三维图
 
3.FYF04580-05G2AC交流活塞气泵外形尺寸图(以下图示单位:mm)
220V小型高压气泵FYF三维图
 
4.FYF05580-05G2AC交流活塞气泵外形尺寸图(以下图示单位:mm)
220V小型高压气泵FYF三维图
 
5.FYF08585-06G2AC交流活塞气泵外形尺寸图(以下图示单位:mm)
220V小型高压气泵FYF三维图
 
6.FYF09585-08G2AC交流活塞气泵外形尺寸图(以下图示单位:mm)
220V小型高压气泵FYF三维图
 
7.FYF13085-08G2AC交流活塞气泵外形尺寸图(以下图示单位:mm)
220V小型高压气泵FYF三维图
 

 
1.微型水泵-自吸高压水泵
>24V自吸微型水泵ASP-N
>微型水泵螺纹快插ASP-L
>12V微型水泵24V压力小水泵ASP
>无刷小型自吸水泵CSP-XW
>微型水泵双保护CSP48180X
>型自吸水泵性价比CSP48170X
>微型水泵泄压中流量CSP-X
>微型自吸水泵中流量CSP
>高压小型水泵频繁启停BSP48180
>交流自吸微型水泵BSP-TAC
>微型自吸水泵金属底座BSP-T
>微型自吸水泵大流量BSP
>小型水泵较大流量BSP-S
>无刷微型高压水泵HSP-TW
>24V微型高压水泵HSP8050T
>半连续运转微型高压水泵HSP-TL
>微型高压水泵热销HSP11070T
>220V高压小型水泵HSP-XTAC
>220v微型高压水泵HSP-TAC
>泄压微型高压水泵HSP-XT
>微型高压水泵自动泄压HSP-X
>微型高压水泵经典型HSP11050
>自吸高压微型水泵PSP-N
>自吸高压微型水泵PSP
 
2.水气两用水泵-换代品
>耐腐耐油金属微型水泵WYP
>3.7V锂电池微型水泵WGV
>无刷微型高压水泵耐腐W20
>高性价比微型耐腐水泵W18
>调速无刷微型水泵大流量W36
>调速微型水泵低噪W25N
>微型水泵调速毫升级W24D
>毫升级水气两用微型水泵W17N
 
3.水气两用水泵-经典升级
>大流量调速微型水泵WHY
>频率调速微型水泵SWJY
>调速无刷微型水泵SWNY
>调速无刷微型水泵SWUY
>全国产化无刷微型水泵SWKY
>水气两用微型水泵中流量SWKA
>两用5V微型水泵小流量SWAJ
 
4.水气两用水泵-经典
>调速微型真空水泵中流量WNY
>调速微型真空水泵小流量WUY
>无刷微型真空水泵大流量WJY
>无刷微型真空水泵中流量WKY
>微型真空水泵有刷中流量WKA
>5V真空水泵有刷小流量WAJ
 
5.两用微型气泵-换代
>高防护耐腐微型气泵FYP
>低温环境微型气泵F15X2
>稳流无脉动微型气泵FLY
>不锈钢高压微型气泵FBX
>高气密性高压微型气泵F52
>低温环境采样微型气泵F15
>3.7V锂电池微型气泵FGV
>不锈钢耐高温气泵FSG
>无刷调速微型活塞气泵F40
>微型高压活塞气泵F16H
>金属抽打迷你气泵F08
>微型气泵远控大流量F60
>微型气泵触摸屏调速F50
>微型气泵不锈钢接头F35
>调速微型气泵低噪音F25N
>调速5V微型气泵锂电池F24D
 
6.两用微型气泵-升级品
>紧凑型无刷微型气泵FKL
>无刷微型气泵两用长寿命SFCY
>无刷微型气泵两用中流量SFKY
>调速无刷微型气泵两用SFNY
>大流量高压小型空压机FYF
>活塞交流微型气泵AC-A
>活塞交流高压小型气泵AC-B
>活塞220V小型高压气泵AC-C
 
7.有刷抽打气泵-换代/升级
>经济版12V微型气泵FCG
>5-12V宽电压气泵F22N
>5/12V吹吸迷你气泵F17N
 
8.两用微型气泵-经典
>两用无刷微型气泵长寿命FCY
>抽打两用微型气泵有刷PCF
>无刷微型气泵中流量FKY
>抽打两用微型气泵有刷FM
 
9.无刷微型真空泵-换代
>金属高负压微型真空泵VBX
>耐腐高负压小型真空泵V70
>高负压耐腐微型真空泵V52
>稳流宽电压微型真空泵VLY
>大流量小型真空泵V61
>调速小型真空泵高负压V60
>调速微型真空泵触摸屏V50
>微型真空泵不锈钢接头V30
>调速无刷微型真空泵V26
>调速5V微型真空泵V24D
>无刷微型真空泵工况记忆V09
>交流真空泵高负压AC-A9228
 
10.无刷微型真空泵-升级品
>金属高负压微型真空泵VVB
>双头高负压小型真空泵VFY
>高负压低噪小型真空泵VEY
>调速微型真空泵VRY
>无刷微型真空泵大流量SVCY
>无刷微型真空泵中流量SVKY
>调速微型真空泵高负压SVBY
>全国产化微型真空泵SVLK
>调速微型采样气泵SVLC
>微型在线采样气泵SVUY
 
11.无刷微型真空泵-经典
>无刷小型真空泵高负压VAY
>无刷微型真空泵中大流量VCY
>无刷微型真空泵中流量VKY
>调速微型真空泵VLK
>调速微型采样气泵VLC
>调速微型真空泵小流量VUY
>电位器调速微型真空泵KAC
 
12.有刷微型真空泵-换/升级
>经济版24V微型真空泵VCG
>微型真空泵有刷V22N
>12v微型采样气泵有刷V17N
>5v微型真空泵干电池有刷V13N
>微型真空泵中流量有刷SVAK
>5V采样微型气泵SVAJ
 
13.微型真空泵采样泵-经典
>高负压小型真空泵VCH
>微型真空泵中大流量PC
>微型真空泵中流量VAK
>微型真空泵中流量PK
>微型采样气泵VUY
>微型真空泵小流量VAJ
>微型真空泵小流量VMC
 
14.智能真空泵智能真空仪
>智能真空泵IV60(第3代)
>智能真空泵ANJ(第2代)
>智能真空泵ANB(第1代)
>智能正压泵IF50
 
15.微型潜水泵/自吸离心泵
>全自动微型潜水泵QZ650F
>12v迷你潜水泵小流量QX
>12V微型潜水泵中流量QZ-K
>24v潜水泵大流量QD1800
>直流小型潜水泵较大流量QC
>自吸微型离心水泵大流量YSP
 
 16.真空泵气泵选配件
>微型泵调速器TS2-PV
>Modbus微型调速器TS2-B
>触摸屏微型泵调速器TS
>稳速通用型调速器TAA
>数显完整版调速器TWS-1
>两用微型调节阀F2A
>不锈钢调压阀CAY2
>两用调节阀AS-F
>微型精密泄压阀CAY
>精密流量调节阀CCY
>4通变径转接头6688
>4通转接头4-4
>微型真空泵专用消音器
>微型气泵过滤器黑白GA
>气泵用硅胶管
>直流稳压电源(小功率)
 
17.微型水泵选配件
>浮动开关|液位开关FS20A
>直流稳压电源(大功率)
>微型水泵压力缓冲罐YLG
 
 
首页 上一页 下一页 尾页 第 2 页 共 3 页
回到顶端>
去新为诚天猫店购买:
新为诚旗舰店
去新为诚淘宝店购买:
新为诚旗舰店
销售部微信(手机同号):13340999186 15348188198 18982180672|座机:028-61678198 61331850|电邮:xwc66711583@163.com
“专注于微型水泵|微型高压水泵|微型自吸水泵”  成都新为诚科技有限公司 地址:成都市武侯区武侯大道顺江段77号汇点广场2座905-906
http://www.wcjx.net  https://www.weichengkj.com 皆是我公司网站,欢迎访问!
Copyright© 2005-2026 成都新为诚科技有限公司(原成都为诚电子机械) 版权所有 All rights reserved.抄袭仿冒必究!
网警备案
成公网备字
第[200600060]号
信产部备案序号:
蜀ICP备07000579号-3