新为诚LOGO   新为诚电话1   新为诚电话2
您当前的位置:首页>>微型泵黑白过滤器
微型泵产品分类 >>选配件—微型真空泵、微型气泵过滤器介绍
成都新为诚科技有限公司
气泵过滤器
微型泵黑白过滤器GA系列
 
  微型泵过滤器GA系列用途及简单参数  
  
 

1.用途:过滤气体、液体中的粉尘杂质,避免通道堵塞、变小,以保证微型泵内部的精密气密性元件(如微型单向阀)正常工作;
2.使用方法:用对应口径的软管(如硅胶管),连接过滤器及微型泵的抽气或抽水端接口,保证杂质等被预先挡在微型泵的入口前;
3.内部过滤网目数: 约100目;允许工作介质温度:0°C~50°C;
4.耐压:<100kPa;材质:尼龙(全尼龙,包括内部滤网)

 
微型泵过滤器GA系列参数  
  
 
内径(mm)
外径(mm)
MAX部件圆形过滤腔,直径(mm)
建议接管(建议接弹性较好的软管如硅胶管,且软管内径小于过滤器的外径,以便利用软管弹性来保证和该过滤器的连接气密性)
GA4.5(特小号)
2.0
4.5
19.5
3x6mm硅胶管
GA6.0(小号)
3.0
6.0
19
4x8、5x8、5x9mm硅胶管
GA7.8(中号)
3.0
7.8
19.5
5x8、5x9、6x10mm硅胶管
GA9.5(大号)
6.2
9.5
19
6x10、7x13、8x14mm硅胶管
1.特别说明:
(1)每购买壹台新为诚的微型真空泵或微型水气两用泵,赠送壹个过滤器。
(2)过滤器本身会影响泵的流量,如果对泵的流量非常敏感,也可以不用过滤器;所以选型上流量建议放宽一些。
2.清洗方法:内部过滤网如果脏了,可以用清水反向冲洗,清洗都不能解决问题就只有更换过滤器。
3.本过滤器只能用于和新为诚公司生产的微型真空泵、微型水泵配套,且系统压力不可超过该过滤器的耐压能力,不保证可用于其他公司产品,由此引起的一切损失,成都新为诚科技有限公司不承担任何责任!
 
  微型泵过滤器GA详细说明  
  

 

1.配备的必要性:
    当泵工作一段时间后,所抽气体中含有的粉尘会积累在泵腔内部,破坏泵的气密性,使流量和真空度下降,在抽气口端一定要配过滤器。实践表明,即使我们认为很清洁的气体中仍然含有粉尘杂质,也需要过滤,确保泵内部的精密气密性元件正常工作。
2.使用注意事项:
    把过滤器的任意一端用软管与泵的抽气口连接即可。过滤器能承受的介质气体温度范围:0℃~50℃。过滤器使用一段时间后,因附着了杂质而阻力增大,这时,系统流量和真空度都会明显下降,此时应立即更换过滤器,否则会影响泵的正常工作,对于某些型号的微型泵(如PM、VAJ、WAJ系列等抽排气口不能带大负载的微型泵)甚至会造成损坏!
    过滤器的寿命长短视气体清洁程度而定。试验表明,在普通办公室环境中,过滤器大约工作240小时就开始影响泵的流量和真空度。

 
微型泵过滤器GA外形尺寸图(单位:毫米)  
  
 
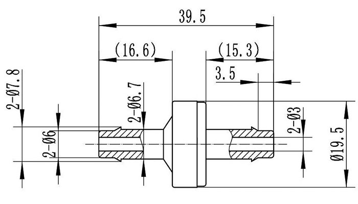
微型泵过滤器GA4.5二维尺寸图:
微型泵黑白过滤器GA4.5
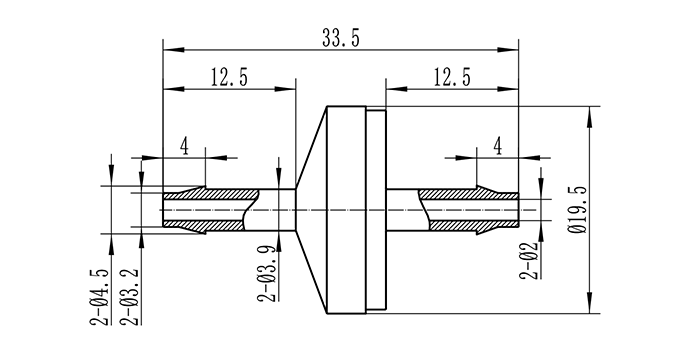
微型泵过滤器GA6.0二维尺寸图:
微型泵过滤器GA6.0尺寸图
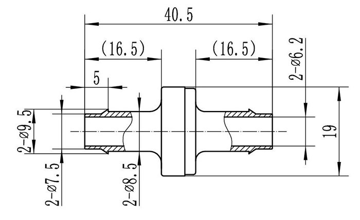
微型泵过滤器GA7.8二维尺寸图:
微型泵过滤器GA7.8尺寸图
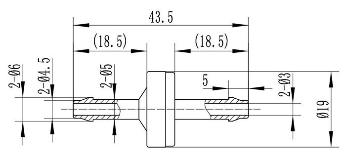
微型泵过滤器GA9.5二维尺寸图:
微型泵过滤器GA9.5尺寸图
(结束)
 
1.微型水泵-自吸高压水泵
>24V自吸微型水泵ASP-N
>微型水泵螺纹快插ASP-L
>12V微型水泵24V压力小水泵ASP
>无刷小型自吸水泵CSP-XW
>微型水泵双保护CSP48180X
>型自吸水泵性价比CSP48170X
>微型水泵泄压中流量CSP-X
>微型自吸水泵中流量CSP
>高压小型水泵频繁启停BSP48180
>交流自吸微型水泵BSP-TAC
>微型自吸水泵金属底座BSP-T
>微型自吸水泵大流量BSP
>小型水泵较大流量BSP-S
>无刷微型高压水泵HSP-TW
>24V微型高压水泵HSP8050T
>半连续运转微型高压水泵HSP-TL
>微型高压水泵热销HSP11070T
>220V高压小型水泵HSP-XTAC
>220v微型高压水泵HSP-TAC
>泄压微型高压水泵HSP-XT
>微型高压水泵自动泄压HSP-X
>微型高压水泵经典型HSP11050
>自吸高压微型水泵PSP-N
>自吸高压微型水泵PSP
 
2.水气两用水泵-换代品
>耐腐耐油金属微型水泵WYP
>3.7V锂电池微型水泵WGV
>无刷微型高压水泵耐腐W20
>高性价比微型耐腐水泵W18
>调速无刷微型水泵大流量W36
>调速微型水泵低噪W25N
>微型水泵调速毫升级W24D
>毫升级水气两用微型水泵W17N
 
3.水气两用水泵-经典升级
>大流量调速微型水泵WHY
>频率调速微型水泵SWJY
>调速无刷微型水泵SWNY
>调速无刷微型水泵SWUY
>全国产化无刷微型水泵SWKY
>水气两用微型水泵中流量SWKA
>两用5V微型水泵小流量SWAJ
 
4.水气两用水泵-经典
>调速微型真空水泵中流量WNY
>调速微型真空水泵小流量WUY
>无刷微型真空水泵大流量WJY
>无刷微型真空水泵中流量WKY
>微型真空水泵有刷中流量WKA
>5V真空水泵有刷小流量WAJ
 
5.两用微型气泵-换代
>大流量低温微型气泵F15X2
>稳流无脉动微型气泵FLY
>不锈钢高压微型气泵FBX
>高气密性高压微型气泵F52
>低温采样微型气泵F15
>3.7V锂电池微型气泵FGV
>不锈钢耐高温气泵FSG
>无刷调速微型活塞气泵F40
>微型高压活塞气泵F16H
>金属抽打迷你气泵F08
>微型气泵远控大流量F60
>微型气泵触摸屏调速F50
>微型气泵不锈钢接头F35
>调速微型气泵低噪音F25N
>调速5V微型气泵锂电池F24D
 
6.两用微型气泵-升级品
>紧凑型无刷微型气泵FKL
>无刷微型气泵两用长寿命SFCY
>无刷微型气泵两用中流量SFKY
>调速无刷微型气泵两用SFNY
>大流量高压小型空压机FYF
>活塞交流微型气泵AC-A
>活塞交流高压小型气泵AC-B
>活塞220V小型高压气泵AC-C
 
7.有刷抽打气泵-换代/升级
>经济版12V微型气泵FCG
>5-12V宽电压气泵F22N
>5/12V吹吸迷你气泵F17N
 
8.两用微型气泵-经典
>两用无刷微型气泵长寿命FCY
>抽打两用微型气泵有刷PCF
>无刷微型气泵中流量FKY
>抽打两用微型气泵有刷FM
 
9.无刷微型真空泵-换代
>金属高负压微型真空泵VBX
>耐腐高负压小型真空泵V70
>高负压耐腐微型真空泵V52
>稳流宽电压微型真空泵VLY
>大流量小型真空泵V61
>调速小型真空泵高负压V60
>调速微型真空泵触摸屏V50
>微型真空泵不锈钢接头V30
>调速无刷微型真空泵V26
>调速5V微型真空泵V24D
>无刷微型真空泵工况记忆V09
>交流真空泵高负压AC-A9228
 
10.无刷微型真空泵-升级品
>金属高负压微型真空泵VVB
>双头高负压小型真空泵VFY
>高负压低噪小型真空泵VEY
>调速微型真空泵VRY
>无刷微型真空泵大流量SVCY
>无刷微型真空泵中流量SVKY
>调速微型真空泵高负压SVBY
>全国产化微型真空泵SVLK
>调速微型采样气泵SVLC
>微型在线采样气泵SVUY
 
11.无刷微型真空泵-经典
>无刷小型真空泵高负压VAY
>无刷微型真空泵中大流量VCY
>无刷微型真空泵中流量VKY
>调速微型真空泵VLK
>调速微型采样气泵VLC
>调速微型真空泵小流量VUY
>电位器调速微型真空泵KAC
 
12.有刷微型真空泵-换/升级
>经济版24V微型真空泵VCG
>微型真空泵有刷V22N
>12v微型采样气泵有刷V17N
>5v微型真空泵干电池有刷V13N
>微型真空泵中流量有刷SVAK
>5V采样微型气泵SVAJ
 
13.微型真空泵采样泵-经典
>高负压小型真空泵VCH
>微型真空泵中大流量PC
>微型真空泵中流量VAK
>微型真空泵中流量PK
>微型采样气泵VUY
>微型真空泵小流量VAJ
>微型真空泵小流量VMC
 
14.智能真空泵智能真空仪
>智能真空泵IV60(第3代)
>智能真空泵ANJ(第2代)
>智能真空泵ANB(第1代)
>智能正压泵IF50
 
15.微型潜水泵/自吸离心泵
>全自动微型潜水泵QZ650F
>12v迷你潜水泵小流量QX
>12V微型潜水泵中流量QZ-K
>24v潜水泵大流量QD1800
>直流小型潜水泵较大流量QC
>自吸微型离心水泵大流量YSP
 
 16.真空泵气泵选配件
>微型泵调速器TS2-PV
>Modbus微型调速器TS2-B
>触摸屏微型泵调速器TS
>稳速通用型调速器TAA
>数显完整版调速器TWS-1
>两用微型调节阀F2A
>不锈钢调压阀CAY2
>两用调节阀AS-F
>微型精密泄压阀CAY
>精密流量调节阀CCY
>4通变径转接头6688
>4通转接头4-4
>微型真空泵专用消音器
>微型气泵过滤器黑白GA
>气泵用硅胶管
>直流稳压电源(小功率)
 
17.微型水泵选配件
>浮动开关|液位开关FS20A
>直流稳压电源(大功率)
>微型水泵压力缓冲罐YLG
 
  回到顶端>
去新为诚天猫店购买:
新为诚旗舰店
去新为诚淘宝店购买:
新为诚旗舰店
销售部微信(手机同号):13340999186 15348188198 18982180672|座机:028-61678198 61331850|电邮:xwc66711583@163.com
“专注于微型水泵|微型高压水泵|微型自吸水泵”  成都新为诚科技有限公司 地址:成都市武侯区武侯大道顺江段77号汇点广场2座905-906
http://www.wcjx.net  https://www.weichengkj.com 皆是我公司网站,欢迎访问!
Copyright© 2005-2026 成都新为诚科技有限公司(原成都为诚电子机械) 版权所有 All rights reserved.抄袭仿冒必究!
网警备案
成公网备字
第[200600060]号
信产部备案序号:
蜀ICP备07000579号-3